Série S

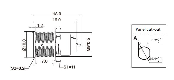
ERA-0S-301-CLL

Fixed socket nut fixing unipole

Descriptions:


Security of the push-pull self-latching system
Solder contact/PCB printed type
360°screening for full EMC shielding

•  Impedance: 50Ω/70Ω/

Multiple sizes
  0s - 1 pole





Related Products-You May Like

sales@torven.com.cn Tel:+86 755 25876613 Wechat:13544204993 Skype:alen_1982